


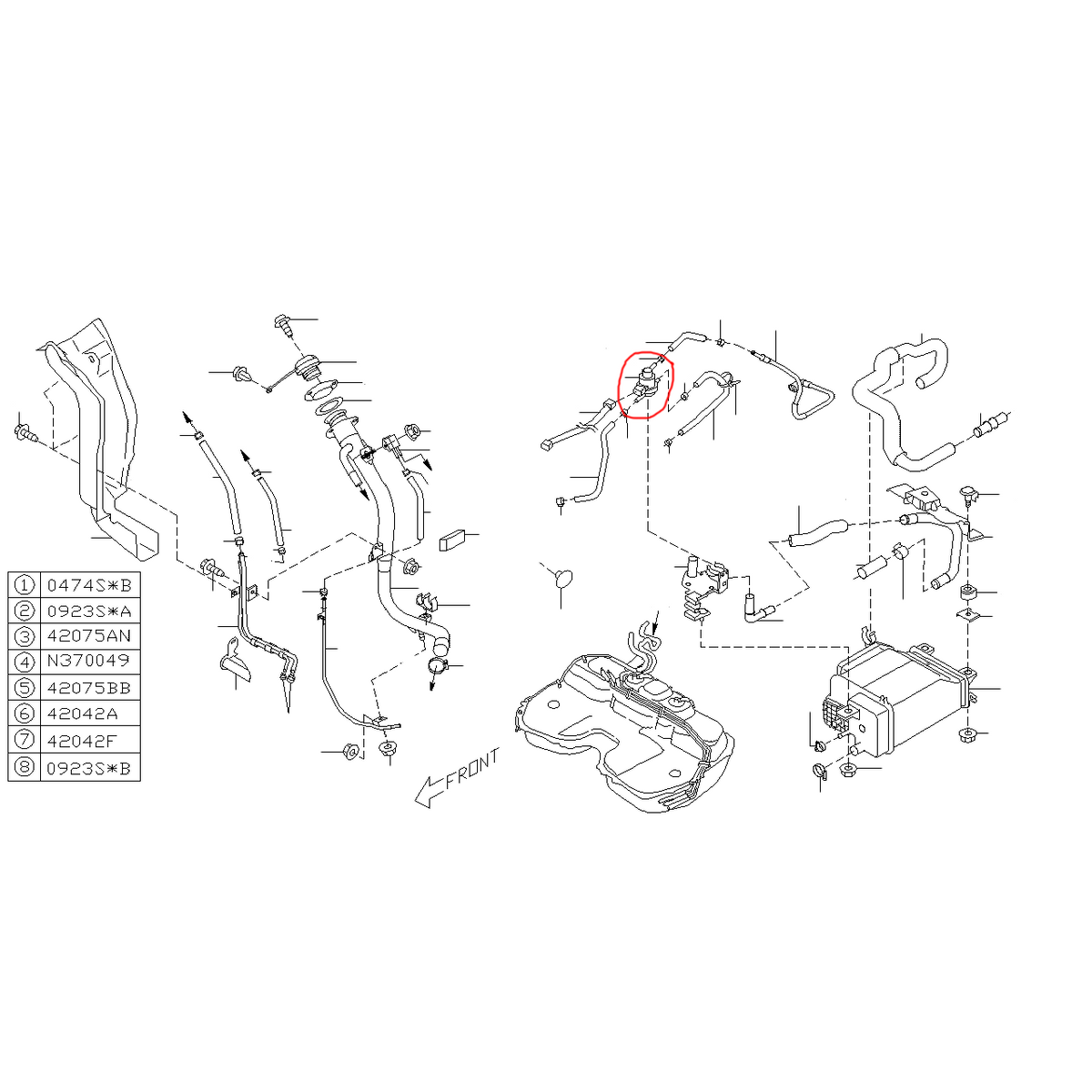
This is a replacement fuel pressure control valve for the evaporative emissions control system on blobeye/hawkeye cars. The pressure control solenoid valve determines whether the charcoal canister is drawing fresh air from the atmosphere or fuel vapor from the tank.
This valve is located in the back of the vehicle at the charcoal canister. See diagram.
Fits all 2005-2007 Subaru WRX and WRX STI, and 2005-2008 Forester.