5x100 5x114 blobeye bugeye EJ20 EJ25 GD GG hawkeye

b_code, bolt, b_code, e_family

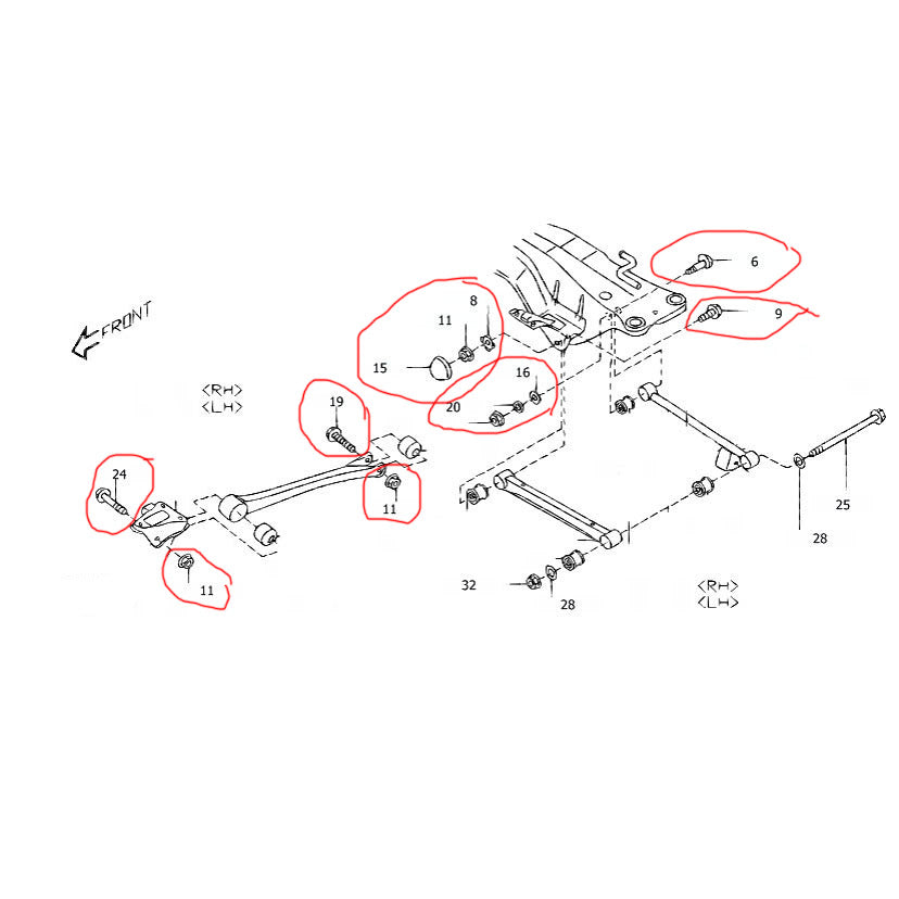
Subaru GD Rear Lateral Link/Trailing Arm Hardware Kit

5x100 5x114 blobeye bugeye EJ20 EJ25 GD GG hawkeye

b_code, bolt, b_code, e_family

  • Hardware kit for the lateral and trailing arm links on the rear suspension of the 2002-2007 Impreza, WRX, and STI.  Single-side kit includes:

    • 4 x #11
    • 1 x #19
    • 1 x #24
    • 1 x #8
    • 1 x #9
    • 1 x #15
    • 1 x #6
    • 1 x #16
    • 1 x #20
    • 1 x washer (not numbered in diagram)

    See the diagram for more details. Note that this kit does NOT include the extra-long bolt at the knuckle, and its associated hardware.

    Fits all 2002-2007 Subaru Impreza/WRX/STI.

  • SKU#: K08150

    Shipping Weight: 2.0 lb

    Supplier: Subaru

    Category: OEM Suspension & Axle, Other Suspension